CONTACTOR KMI IEK – KKT53-150-230-10
Contactor KTI – IEK được thiết kế đóng cắt và điều khiển động cơ không đồng bộ roto lồng sóc cũng như các tải công nghiệp thuộc nhóm AC-3, với dòng định mức từ 115A trở lên, điện áp vận hành đến 660VAC. (Mã sản phẩm: KKT53-150-230-10)
Ứng dụng
- Điều khiển động cơ không đồng bộ rôto lồng sóc: khởi động, dừng và đảo chiều theo chế độ tải AC-3, phù hợp cho các ứng dụng công nghiệp nặng như bơm, quạt, máy nén khí, băng tải, cầu trục.
- Hệ thống chiếu sáng công nghiệp và thương mại: đóng cắt, điều khiển chiếu sáng theo nhóm tải AC-5a, AC-5b, đảm bảo vận hành ổn định.
- Mạch sưởi và tải trở: sử dụng cho các phụ tải thuộc nhóm AC-1, thích hợp cho dây chuyền gia nhiệt, lò nung, thiết bị điện trở.
- Đóng cắt tụ bù công suất phản kháng: vận hành hiệu quả với nhóm tải AC-6b, đảm bảo ổn định hệ số công suất trong hệ thống điện.
Đặc điểm nổi bật
- Khả năng đóng cắt mạnh mẽ: Chịu được dòng khởi động lớn của động cơ không đồng bộ (AC-3), độ bền điện và cơ học cao.
- Dải lựa chọn đa dạng: Dòng định mức từ 115A trở lên, điện áp cuộn dây điều khiển 24V DC, 110V AC, 220/230V AC, 380V AC; có sẵn tiếp điểm phụ NO/NC đáp ứng nhiều phương án điều khiển và liên động.
- Tiêu chuẩn quốc tế: Tuân thủ IEC/EN 60947-4-1, đảm bảo an toàn và độ tin cậy khi lắp đặt trong hệ thống điện công nghiệp.
- Thiết kế công nghiệp chắc chắn: Kết cấu bền vững, tiếp điểm phụ tùy chọn (NO, NC) thuận tiện cho điều khiển và liên động.
- Vận hành ổn định: Hoạt động tin cậy trong môi trường công nghiệp, phù hợp cho tủ điện động lực và dây chuyền sản xuất.
Thông số kỹ thuật:
|
Thông số
|
Giá trị
|
|
Mã sản phẩm
|
KKT53-150-230-10
|
|
Loại
|
Contactor công nghiệp
|
|
Số cực
|
3P
|
|
Dòng định mức
|
150A
|
|
Điện áp định mức
|
230VAC
|
|
Kiểu tiếp điểm
|
NO
|
|
Tiêu chuẩn
|
IEC/EN 60947-4-1
|
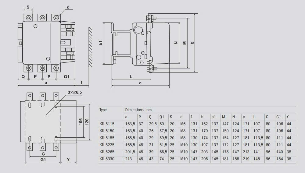
Kích thước tổng quan

👉 Đại Hồng Thanh nhà phân phối ủy quyền IEK tại khu vực miền Nam cam kết chất lượng, đầy đủ chứng từ CO, CQ.
👉 CAM KẾT TỪ ĐẠI HỒNG THANH.
• Sản phẩm chính hãng IEK – Thương hiệu Nga
• Bảo hành 12 tháng theo tiêu chuẩn NSX
• Hỗ trợ kỹ thuật, tư vấn lắp đặt tận nơi
• Giao hàng toàn quốc – nhanh chóng, uy tín
• Giao hàng địa chỉ TP. HCM (cũ)