|
TT
|
Model
|
V/°C
|
Công Suất
|
H (M)
|
Q (Lít/Phút)
|
Đường Kính Hút-Xả
|
|
KW
|
HP
|
|
1
|
2CDX 70/10
|
380/60
|
0.75
|
1
|
38.5-27
|
20-80
|
42-34
|
|
2
|
2CDX 70/12
|
380/60
|
0.9
|
1.2
|
44.5-30
|
20-80
|
42-34
|
|
3
|
2CDX 70/15
|
380/60
|
1.1
|
1.5
|
52.5-36.5
|
20-80
|
42-34
|
|
4
|
2CDXM 70/15
|
220/60
|
1.1
|
1.5
|
52.5-36.5
|
20-80
|
42-34
|
|
5
|
2CDX 120/15
|
380/60
|
1.1
|
1.5
|
42-30
|
40-150
|
42-34
|
|
6
|
2CDXM 120/15
|
220/60
|
1.1
|
1.5
|
42-30
|
40-150
|
42-34
|
|
7
|
2CDX 70/20
|
380/60
|
1.5
|
2
|
60-44
|
20-80
|
42-34
|
|
8
|
2CDXM 70/20
|
220/60
|
1.5
|
2
|
60-44
|
20-80
|
42-34
|
|
9
|
2CDX 120/20
|
380/60
|
1.5
|
2
|
51.5-36.5
|
40-150
|
42-34
|
|
10
|
2CDXM 120/20
|
220/60
|
1.5
|
2
|
51.5-36.5
|
40-150
|
42-34
|
|
11
|
2CDX 120/30
|
380/60
|
2.2
|
3
|
59-44
|
40-150
|
42-34
|
|
12
|
2CDX 200/30
|
380/60
|
2.2
|
3
|
52-39.5
|
60-210
|
49-34
|
|
13
|
2CDX 120/40
|
380/60
|
3
|
4
|
68.5-52
|
40-150
|
42-34
|
|
14
|
2CDX 200/40
|
380/60
|
3
|
4
|
62.5-49
|
60-120
|
49-34
|
|
15
|
2CDX 200/50
|
380/60
|
3.7
|
5
|
71.5-57.5
|
60-210
|
49-34
|
Cấu tạo
|
Bộ Phận
|
Vật Liệu
|
Ghi Chú
|
|
Đầu bơm
|
AISI 304
|
Vỏ buồng bơm, chống gỉ, chịu 8 bar
|
|
Nắp buồng bơm
|
AISI 304
|
Giữ phớt cơ khí, làm kín
|
|
Cánh bơm (2 tầng)
|
AISI 304
|
Tăng áp mạnh, chống ăn mòn
|
|
Bộ khuếch tán
|
AISI 304
|
Hướng dòng, tăng hiệu suất
|
|
Trục bơm
|
AISI 303
|
Cứng, chống mài mòn, quay ổn định
|
|
Phớt cơ khí
|
Carbon/Ceramic/NBR
|
Làm kín trục, chịu nhiệt
|
|
Giá đỡ
|
Nhôm đúc
|
Giảm rung, liên kết đầu bơm – motor
|
|
Vỏ motor
|
Nhôm đúc
|
Tản nhiệt tốt, bảo vệ cuộn dây
|
|
Quạt motor
|
Nhựa/nhôm
|
Làm mát motor
|
Đặc tính

Đường Đặc Tính Ebara 2CDX Series
- Dải cột áp từ 38.5 – 27 (m) tương ứng với dải lưu lượng là 20 – 80 (lít/phút).
- Tuy nhiên để máy hoạt động với hiệu suất cao nhất bạn nên lựa chọn khoảng giữa của đường đặc tính.
Ứng dụng
|
Lĩnh Vực
|
Ứng Dụng Cụ Thể
|
Model Phù Hợp
|
Lý Do Chọn
|
|
Tăng áp nước sinh hoạt
|
Chung cư cao tầng (10–15 tầng), khách sạn, bệnh viện, biệt thự lớn
|
2CDX 120/30, 120/40, 200/40
|
Cột áp 60–75m → bơm lên tầng cao
Lưu lượng 120–200 (l/phút) → đủ cho 50–100 vòi
Chạy êm (IP55), tiết kiệm điện (hiệu suất ~70%)
|
|
Cấp nước công nghiệp
|
Nhà máy sản xuất, xưởng dệt, thực phẩm, tuần hoàn nước
|
2CDX 120/20, 200/30, 200/50
|
Bơm liên tục 24/7, chịu nhiệt 60–90°C
AISI 304 → sạch sẽ, không gỉ
Áp suất 8 bar → đẩy xa 500–800m
|
|
Tưới tiêu nông nghiệp
|
Trang trại lớn, nhà kính, tưới phun sương, nhỏ giọt quy mô 5–20 ha
|
2CDX 200/40, 200/50
|
Lưu lượng lớn 180–250 (l/phút)
Cột áp 65–80m → tưới đồi dốc
Lắp ngoài trời (IP55), bền bỉ
|
|
Hệ thống điều hòa không khí
|
Tháp giải nhiệt, chiller trung tâm, bơm nước làm mát tòa nhà
|
2CDX 70/15, 70/20, 120/20
|
Tuần hoàn nước 50–60°C
Cột áp 40–55m → đẩy qua tháp cao
Hiệu suất cao → tiết kiệm điện điều hòa
|
|
Xử lý nước & chất lỏng nhẹ
|
Lọc RO công nghiệp, bể bơi lớn, nước hóa chất loãng (pH 5–9), xử lý nước thải sơ bộ
|
2CDX(H) 120/30 + phớt Viton/SiC
|
Chịu ăn mòn nhẹ, nhiệt 110°C (H version)
Phớt tùy chọn → bơm axit/kiềm nhẹ
Vệ sinh dễ, an toàn thực phẩm
|
|
Bơm nước giếng khoan
|
Giếng sâu 50–70m, bồn chứa cao, hệ thống cấp nước nông thôn
|
2CDX 200/50
|
Cột áp 80m → hút sâu + đẩy cao
Kết hợp van 1 chiều → tự mồi gián tiếp
Motor 3 pha → ổn định lưới yếu
|
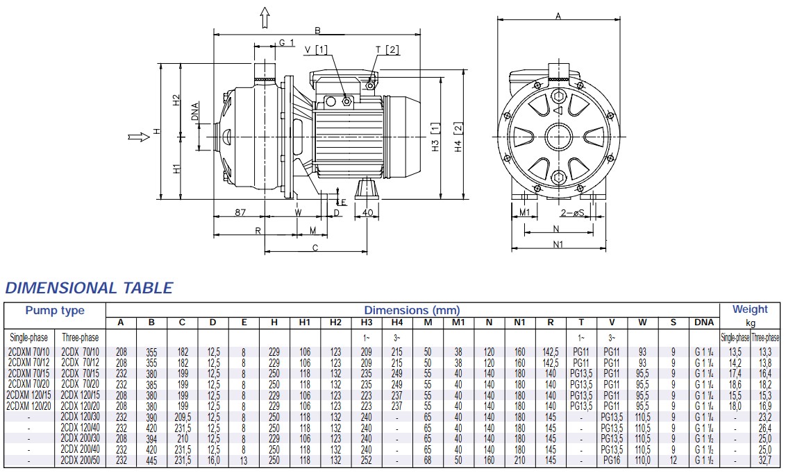
Kích thước
Kích thước Ebara 2CDX Series đơn vị đo mm.
